Nuovo prodotto
93,74 €
124,99 €
-25%
GIUNTO ANCORA FISSO KONG X CATENA 12/14 MM
10 Articolo Articoli
SPEDIZIONE 2/3 GG
Attenzione: Ultimi articoli in magazzino!
Disponibile dal:

DESCRIZIONE PRODOTTO
Giunto ancora fisso in Acciaio Inox AISI 316 di alta qualità.
Scorre senza blocchi nel musone salpa-ancora, posiziona correttamente l'ancora ed evita il torcersi della catena.
Cr = Carico di rottura
-
DISPONIBILE IN 2 MISURE
CATENA 6/8 MM
CATENA 8/12 MM
CATENA 14/14 MM
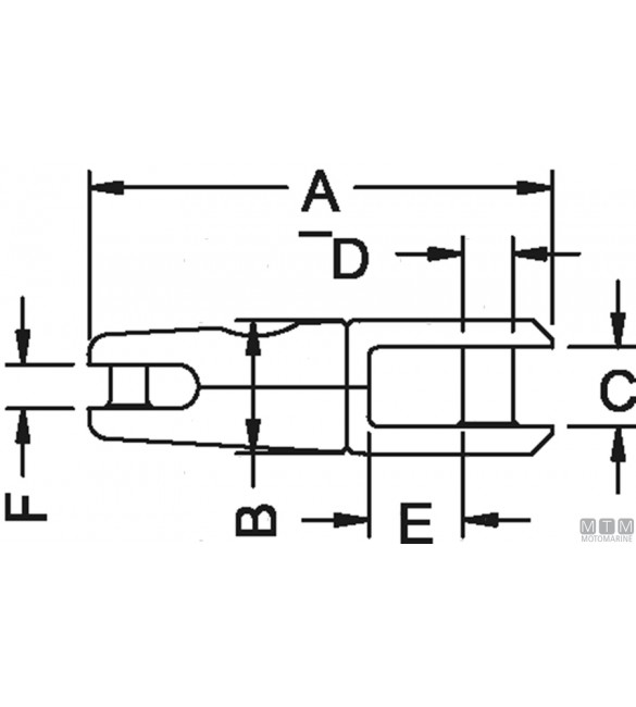
MISURE 12/14
A 125 MM
B 55 MM
C 33 MM
D 18 MM
E 28
F 17 MM
CR KG 9500